Nuevas máquinas-herramienta
/
Tornos
/
? ??????? ??????? ?? 420 ?? 1200 ?? ? ?????? ????????? ?? 16000 ??
????? ?????????
? ??????? ??????? ?? 420 ?? 840 ??
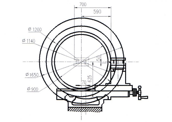
Aparejo mecánico usado disponible
Carros de pies en el suelo
?????? ????????????? ????????
? ???, 3 ??? ?????????
???????? ????????????? ? ?????????????
Accesorios para máquina
Chuck tres, cuatro mordazas y la meseta
Ruedas, filtros de aire, cadenas, etc.
Todas las protecciones 626
Torreta portaherramientas
Vicios y máquina
Compresores y accesorios
????? ?????????? ?? ???????
?????? ????????????
Compresores de Aire
Liquidaciones
?????? ??? ????????? ?????????
??????????? ? ????????? ?????????
Инструментальные блоки б/у
с высотой центров от 290 до 400 мм
Электроды и проволка для сварки
Nuevas máquinas-herramienta
Afila punzones / matrices
Alimentadores por chapa
Curvaprofili y tubos
Fresado
Fresas para chapa
Hornos de tratamiento
Plegadoras de chapa
Prensas hidráulicas
Prensas para empaquetar
Rebordeadores por chapa
Rectificadora tangencial
Sanders - Blasting
Sierras de cinta
Slotting 125-350
Tagliaferri universales
Taladro prensas
Tijeras de chapa
Tornos
Transportadores chatarra
Varillas y tubos curvados
Piezas de repuesto
Piezas de repuesto para máquinas herramientas y compresores de aire
Refrigeradores de líquidos
El agua de refrigeración
Enfriamiento liquida "chillers"
Sollevamento
????
?????? ???????????????? ????????
Brazo de la grúa de elevación y diferentes soluciones
Levantamiento y transporte usado
Varias ocasiones
Embalaje usado
En segundo lugar máquina manos
Обрабатывающие центры с горизонтальной осью
Recambios Yaskawa Usados
Newsletter
If you would like to receive our periodic update of listings and/or available machines, please insert here your e-mail address.
Back
Next
Click for a full size photo
Click for a full size photo
Back
Next
Request Additional Information
Printer friendly Version